作業日:2025年5月18日
走行距離:211Km
私のジムニーノマド(JC74W)に、スズキ純正のバックアイカメラ(品番:99195-78R00)を取り付けました。
今回の目的は、後日予定している Pioneer製9インチディスプレイオーディオ DMH-SF700 と組み合わせることです。
この記事では、純正カメラを選んだ理由/使用した部品・工具/配線ルート/内装やバンパーの外し方を、実際の作業順に詳しくまとめます。
なぜ “純正バックカメラ(99195‑78R00)” を選んだのか?
こちらがスズキ純正バックアイカメラ(99195-78R00)です。

純正バックアイカメラを選定理由は以下のとおりです。
- Pioneer DMH-SF700 に接続できる安心感
社外品の ND-BC9 も候補でしたが、DMH-SF700 への接続実績・確実性を重視して純正を選択。 - スペアタイヤ位置を考慮した “専用ガイドライン”
純正カメラには、スペアタイヤ位置を反映した独自の凸型ガイドライン が表示されます。
ジムニー、ジムニーシエラ、ジムニーノマドならではのメリットです。 - バンパー形状に最適化された角度
取り付け位置が完全に固定されており、角度調整なしで最適画角が出るのが強み。 - ハーネス長・コネクタ位置が完璧
バックアイカメラのハーネスやカメラ延長ハーネス、電源ユニットなど適切な長さです。
そして、カメラ延長ハーネスを車体外側から内側に引き込みやすいようにコネクター後付けになっている点も素晴らしいです。さすがスズキ純正です。 - 取付説明書が丁寧
ノマド専用の記述はありませんが、ジムニー/ジムニーシエラ向けの説明書が十分役立つ内容でした。
今回準備した部品・工具
スズキ純正バックアイカメラ(99195-78R00)です。
99195-77R00という品番バックアイカメラのも販売されていますが、スズキのカタログでジムニーノマド用と記載されているのは、99195-78R00のほうです。
内装はがしと通線ワイヤーのセットです。このくらいの工具で普通に作業ができました。
両面テープなどの貼り付け前の脱脂はこれ一本あれば大丈夫です。
配線作業にはビニールテープではなくハーネステープがあると便利です。
バックアイカメラの構成部品
純正バックアイカメラ(99195-78R00)の構成部品は以下のとおりです。

- バックアイカメラ
- 電源ユニット
- カメラ延長ケーブル、コネクター(5ピン、緑色)
- コルゲートチューブ
- スクリュー
- 結束バンド
- ブチルテープ(グロメット部分の防水)
- エレクトロタップ
- ウレタンシート
- 取扱説明書
- 取扱説明書[共通編]
- 取扱説明書[車体別編]
純正バックアイカメラには、懇切丁寧な取扱説明書[車体別編]が付属しておりますので、その取扱説明書に準じて実施して参ります。
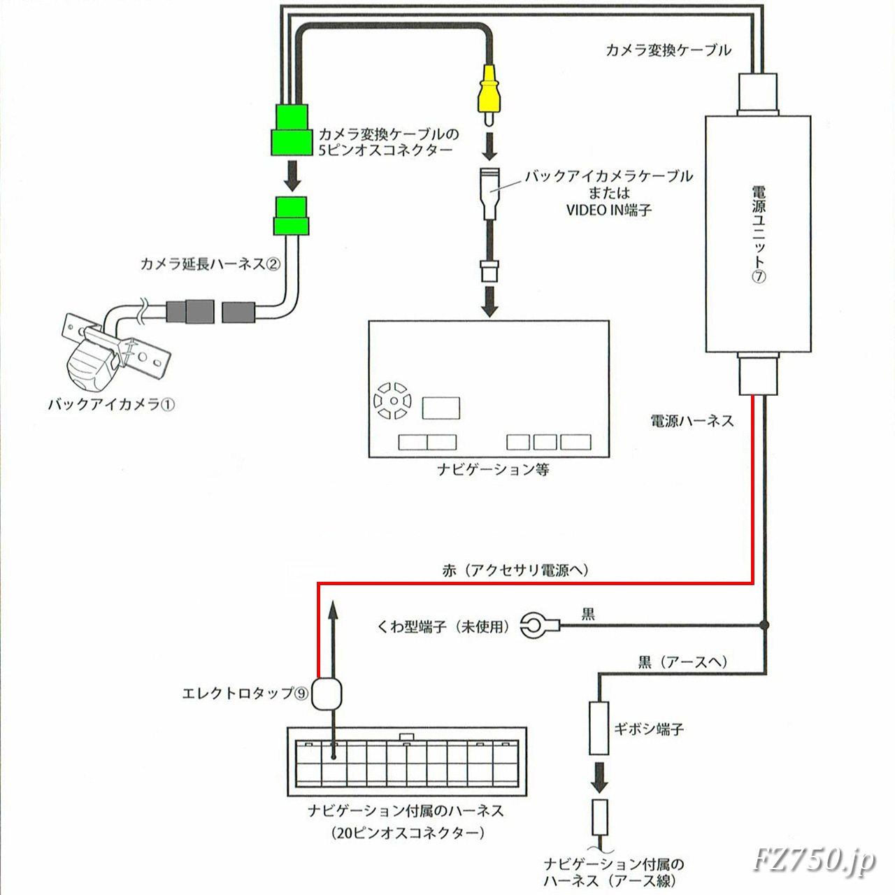
バックアイカメラ配線経路を準備します。
バックアイカメラ配線経路
バックアイカメラの配線は以下のようなイメージです。
バックアイカメラはリアバンパー中央部分から左テールランプ裏のクロスメンバまで引きます。そこで延長ハーネスとコネクターで接続します。
延長ハーネスは車内に引き込んで左側後部座席から助手席を経由して、グローブボックス裏付近まで引きます。そこで電源ユニットと接続します。
この電源ユニットには画像が出力されるRCA端子も含まれています。

ジムニー純正バックアイカメラ(99195-78R00)配線図は以下の通りです。

作業手順
1.バッテリーのマイナス端子取外し
電装作業前の基本作業。必ず最初に行います。
2.インパネガーニッシュの取外し
私のジムニーノマドはオーディオレスなので、カーナビ取付けスペースには、パネル(インパネセンターガーニッシュ)が取り付けられています。
まずは、アンダーカバーの取外しです。一般的には内張り剥がしへらを使うと思いますが、しっかり貼り付けた布テープを用いて取外し可能です。(Webのジムニー先輩有難うございます)
手前に向けて貼り付けた布テープを一か所で纏めます。そして横方向にしっかりと布テープを貼ったら、一か所に纏めたところを手前に引きます。

布テープの貼り方を何度か工夫して、無事にアンダーカバーの取外しができました。
次にパネル(インパネセンターガーニッシュ)下部の2本のネジを取り外します。

パネル(インパネセンターガーニッシュ)を手前に引き出します。
車両側配線コネクタ(水色20ピン)と車両側アンテナコネクター(グレー)をパネルから取り外します。

パネル(インパネセンターガーニッシュ)の取外しが出来ました。

3. 内装パネルの取り外し(助手席側〜荷室)
配線を通すため、以下の順で左側の内装を外します。
3.1 アンダーカバー
グローブボックスを開けて、手前に引いてグローブボックスを取り外します。
初めて取り外したので、かなり固かったですね。

3.2 助手席のドア側足元パネル
助手席のドア側足元パネル(サイドシルフロントスカッフ左)を取り外します。

サイドシルフロントスカッフ左は、クリップ2か所と爪で固定されていました。

3.3 ダッシュサイドトリム左
助手席前側のカバー(ダッシュサイドトリム左)を取り外します。クリップを1か所取り外して、引っ張ります。

ダッシュサイドトリム左が無事に外れました。

3.4 サイドシルリアスカッフ左
後部座席左側のカバー(サイドシルリアスカッフ左)を取り外します。
クリップ1か所を取り外して引っ張ります。

サイドシルリアスカッフ左はクリップ2か所と爪で固定されていました。

3.5 Bピラー下部の内装パネル
まず、Bピラー下部にある助手席のシートベルトの固定ボルトを取り外します。
ボルトは14mmのレンチで取り外すことができます。

Bピラー下部のカバーを引っ張って取り外します。

Bピラー下部のカバーを取り外すとこのような感じです。

3.6 ラゲッジルームの内装パネル
ラゲッジルームの内装パネルを取り外すためには、ラゲッジボードとリアシートバックの取外しが必要です。
まずはラゲッジボードを取り外します。クリップを2か所取り外して持ち上げるだけです。

次に左側のリアシートバックを取り外します。
車体の中心側のボルトを取り外して、プラ部品を取り外します。

このプラ部品は右手で下から押し上げる力を掛けながら、差し込んだマイナスドライバーを車体後方に倒すと外れます。

プラ部品を外したら、シートバックのボルト付近の留め具をずらして、左側リアシートバックを外します。

ラゲッジルーム左側のパネルには照明灯やシガーソケットがあります。クリップ4か所を取り外して、ケーブルを通せる程度に軽く取り外します。

照明灯やシガーソケットの配線に無理な力が掛からない程度にスペースを作ります。

これで、ラゲッジスペースからダッシュボードのカーナビ取付けスペースまでの通線が可能となりました。
4. リアバンパーの取り外し
ジムニーノマドのリアバンパーを取り外します。以下の①~④を取り外します。
①ハーネス格納リッド内のコネクタ×3か所
②スクリュー×2か所
③ボルト×6か所
④クリップ×1か所

左側テールランプの裏側にハーネスのコネクター格納箇所があります。
コネクター格納箇所のふた(リッド)にある2か所のつめを押して、ふたを開けます。その中にあるコネクタ3個を取り外します。

②スクリュー×2か所、③ボルト×6か所、④クリップ×1か所を取外します。
そして、リアバンパーを少し上にずらしつつ、後方に引くとリアバンパーが取り外せます。

5. バックアイカメラ本体の取り付け
ジムニーノマドのリアバンパー裏にあるハーネスホルダーを取り外します。
ハーネスホルダーを固定するスクリュー5か所を取り外します。

ジムニーノマドのリアバンパーにあるバックアイカメラ取付け箇所の目隠しふた(目隠しリッド)をカッターで切り落とします。

バックアイカメラのハーネス部分に400mmに切断したコルゲートチューブを取付けて、その両端をハーネステープを巻き付けて保護します。

ジムニーノマドのリアバンパーにバックアイカメラを取付けます。
取付けは付属のスクリューで2か所を固定します。

バックアイカメラのハーネスをタイラップで既存のハーネスに固定します。
この写真ではタイラップの不要な先端部分が写ってますが、撮影後にニッパで切落しています。

その後、ジムニーノマドのリアバンパーにハーネスホルダーを取付けます。
6. 延長ハーネスの取り付け → 車内へ通線
6.1延長ハーネスの取り付け
では、バックアイカメラと車体側をつなぐカメラ延長ハーネスの準備を行います。
カメラ延長ハーネスの車体後方側のコネクター部分には、コネクターを保護するためにウレタンシートを巻き付けます。そして、120mmに切断したコルゲートをコネクター側に取付けて、その両端をハーネステープを巻き付けて保護します。

カメラ延長ハーネスの車体前方側のビニール袋は取り外さずに、ジムニーノマドの車体外側から室内にグロメットの穴を通すためにカメラ延長ハーネス先端部分に針金を取付けてハーネステープで保護します。

ラゲッジルームの既存配線のグロメット部分にキリで穴をあけ、カメラ延長ハーネスを車体外側(車両の下側)から通します。

カメラ延長ハーネスがラゲッジルームの既存配線のグロメット部分を貫通した。

ブチルテープをカメラ延長ハーネスに巻いて、グロメット通過部分の防水処理を行います。

もし、付属のブチルテープを貼りそこなった場合は、ソフト99からブチルテープ単品が入手可能です。
6.2 リアバンパーの取付け
バックドア開口部分の左下をバックアイカメラのケーブルが通過します。
シリコーンリムーバーなどで清掃してからハーネス保護のウレタンシートを貼り付けます。

ジムニーノマドにリアバンパーを取付け、ハーネス格納リッド内のコネクタ×3か所を接続します。
バックアイカメラハーネスとカメラ延長ハーネスのコネクターを接続して、クロスメンバー上部にタイラップで固定します。

6.3 カメラ延長ハーネスの固定
カメラ延長ハーネスを車両ハーネスに沿わせて、グローブボックス付近まで敷設します。
カメラ延長ハーネスはある程度の間隔で車両ハーネスにタイラップで固定します。

Bピラー下部もカメラ延長ハーネスは車両ハーネスに沿わせて敷設します。

7. 電源ユニットの設置(グローブボックス裏)
カメラ延長ハーネスをグローブボックス付近まで敷設したら、ハーネスの先端にコネクターを取り付けます。
以下の写真のようにハーネス先端の端子を黒、黒、黄、赤の順でコネクターに取り付けます。

こちらが電源ユニットです。このハーネスが後でわからなくならないように「BACK CAMERA」と記載したラベルを取り付けました。

バックアイカメラ電源ユニットは取付説明書のとおり、グローブボックス付近にタイラップで固定します。
そして、カメラ延長ハーネスとバックアイカメラ電源ユニットを接続しました。

これでバックアイカメラの取付けは完了です。
8. 映像確認 → 内装を戻して完了!
私のジムニーノマドに取付予定のディスプレーオーディオであるPioneer DMH-SF700を仮設置して、バックアイカメラと接続しました。
バックアイカメラの電源ユニットは赤がACC,黒がアースです。ACCはディスプレーオーディオのケーブルACCから分岐させて暫定的に接続しました。
Pioneer DMH-SF700に無事にバックアイカメラの画像が表示され大満足です。
動作確認後、内装パネルなどを組み戻しました。

まとめ:純正ならではの安心と完成度
純正バックカメラは、
- ガイドラインの完成度
- 最適な取付角度
- 配線長の正確さ
- 説明書の分かりやすさ
など、非純正にはないメリット が多くありました。
ジムニーノマドとの相性は非常に良く、「長く使える確実な選択をした」と実感しています。
次回はディスプレーオーディオの取付けです。










